Remove Hidden Spyware In
Minutes For Free
Detect and remove spyware, keyloggers, tracking cookies, and other
threats that slow down your PC or steal your data.
Authored by: Support.com Tech Pro Team

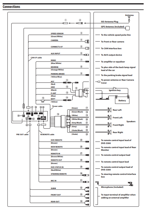
This guide will show you on how to mount the Alpine INE-W720D Car Navigation System.














Support.com is committed to your privacy
We do not share or sell your data to third parties. We do use cookies and other third-party technologies to improve our site and services. The California Consumer Privacy Act (CCPA) gives you the ability to opt out of the use of cookies, third-party technologies and/or the future sale of your data. Do not sell my personal information.
Support.com is committed to your privacy
Read our Privacy Policy for a clear explanation of how we collect, use, disclose and store your information
Detect and remove spyware, keyloggers, tracking cookies, and other
threats that slow down your PC or steal your data.
